Gulion verfügt über ein professionelles und effizientes technisches Team, das Musterdienstleistungen anbietet, um qualitativ hochwertige Produkte zu gewährleisten und die Bedürfnisse der Kunden zu erfüllen und damit eine langfristige Zusammenarbeit zu erreichen.
Die folgenden Schritte sind umfassende Leitfäden zum gesamten Prozess:

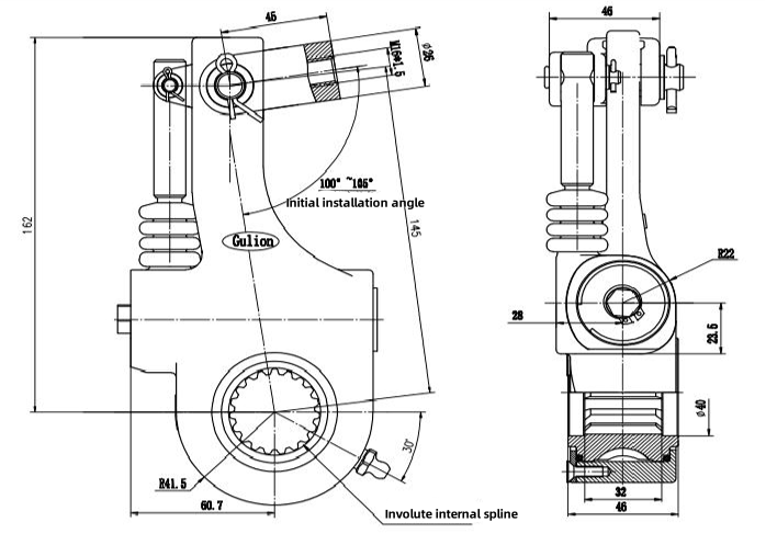
| Involviere interne Spline -Verbindungsparameter einbezogen | |||
| Grundgröße | φ38 | Außendurchmesser | φ38 |
| Spline -Graf | 19 | Innendurchmesser | φ34 |
| Modul | 1.9 | Spline -Form | Involviert |
| Modell des Elements | Gleo20-l/r | Länge | 150 |
| Gabelung | M16 | Offset | 20 |
( Parameter können gemäß den Kundenanforderungen geändert werden; das oben genannte ist als Referenz. )
Erste Anfrage und Anforderungen sammeln
Kundenkontakt: Initiieren Sie die Kommunikation mit dem Kunden, um seine Anforderungen zu verstehen.
Anforderungspezifikation: Wir können CAD -Dateien oder zwei tatsächliche Beispiele empfangen. Verstehen Sie Ihre Bedürfnisse und Anforderungen, einschließlich der Funktionen, Materialien, Abmessungen usw.
NDA-Vereinbarung: Unterzeichnen Sie bei Bedarf eine Nichtoffenlegungsvereinbarung (NDA), um geistiges Eigentum und vertrauliche Informationen zu schützen.
Machbarkeitsanalyse
Technische Machbarkeit: Bewerten Sie, ob Ihre Fabrik die Stichprobe gemäß den Anforderungen des Kunden erstellen kann.
Materialbeschaffung: Identifizieren und Quellen Sie die erforderlichen Materialien.
Kostenschätzung: Stellen Sie eine anfängliche Kostenschätzung für die Erzeugung der Stichprobe vor.
Design und Entwicklung
Entwurfserstellung: 3D -Modellierung und Design. Arbeiten Sie mit dem Clie NT zusammen, um detaillierte Designs zu erstellen oder vorhandene zu verfeinern.
Prototyping: Strukturanalyse und Leistungsbewertung.
Kundengenehmigung: Teilen Sie den Design und den Prototyp mit dem Kunden für Feedback und Genehmigung.
Zitat und Vereinbarung
Angebot: Zitat gemäß Ihren Anforderungen und Kaufmenge, verhandeln und unterschreiben Sie einen Produktentwicklungs- und Verkaufsvertrag und unterzeichnen Sie gegebenenfalls einen Marktschutzvertrag.
Vereinbarung: Entwurf und Unterzeichnung einer Servicevereinbarung, die den Umfang, die Zeitpläne, die Kosten und die Zahlungsbedingungen darstellt.
Probenproduktion
Materialbeschaffung: Kaufmaterialien wie im Design angegeben.
Herstellungsprozess: Erstellen Sie Prototypen von Zubehör gemäß Konstruktionszeichnungen; Dies kann durch 3D -Druck, CNC -Maschine, Schimmelpilzentwicklung usw. erfolgen
Qualitätskontrolle: Implementieren Sie Maßnahmen, um sicherzustellen, dass die Probe den erforderlichen Standards entspricht.
Test- und Qualitätssicherung
Interne Tests: Führen Sie interne Tests durch, um die Funktionalität, Haltbarkeit und Einhaltung der Spezifikationen der Probe zu überprüfen.
Client -Tests: Senden Sie das Beispiel zum Testen und Feedback an den Client.
Feedback und Überarbeitungen
Client -Feedback: Sammeln Sie Feedback vom Client in Bezug auf die Probe.
Revisionen: Nehmen Sie die erforderlichen Überarbeitungen auf der Grundlage des Feedbacks des Kunden vor und erstellen Sie bei Bedarf eine überarbeitete Stichprobe.
Endgültige Genehmigung und Dokumentation
Endgültige Genehmigung: Erhalten Sie die endgültige Genehmigung vom Kunden für die Stichprobe.
Dokumentation: Erstellen Sie eine detaillierte Dokumentation, einschließlich Spezifikationen, Produktionsprozesse und Qualitätskontrollaufzeichnungen.
Massenproduktionsplanung
Produktionsplanung: Plan für die Massenproduktion basierend auf der zugelassenen Stichprobe.
Lieferkettenmanagement: Stellen Sie sicher, dass alle Materialien und Ressourcen für die Produktion vorhanden sind.
Timelinevereinbarung: Vereinbarung auf die Produktionszeitpläne und Lieferpläne mit dem Kunden.
Kontinuierliche Kommunikation
Regelmäßige Updates: Stellen Sie Kunden Fotos und Videos zur Verfügung, um sie über den Fortschritt ihrer Bestellung zu informieren.
Kundenbetreuung: Bieten Sie kontinuierliche Unterstützung für Bedenken oder zusätzliche Anforderungen.
Zusätzlich zu den Slack -Einstellern können wir auch andere Produkte für Sie anpassen, einschließlich landwirtschaftlicher Maschinenteile.
Inhalt ist leer!